Location: Trieste, Italy
Time of design: 2014
Investor: Private investor
Investment in structural work: € 300.000
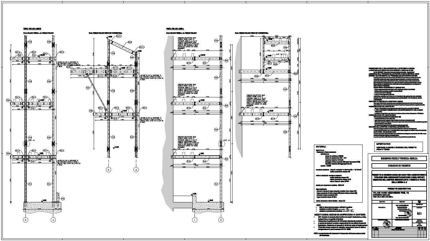
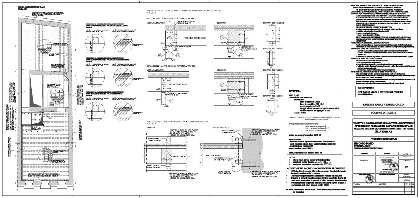
Load-bearing structure: RC elements, steel and wood (wooden ceilings, cross laminated timber (CLT) panels)
Service performed: načrt gradbenih konstrukcij pri fazi PGD in PZI








