EEP d.o.o. | Partizanska 70 | SI - 6210 Sežana | Slovenia

European engineering project

Projects

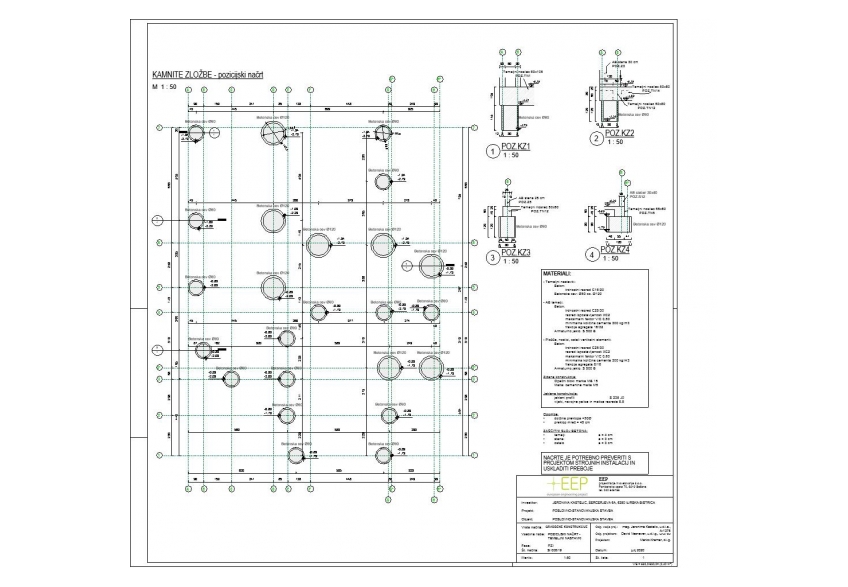
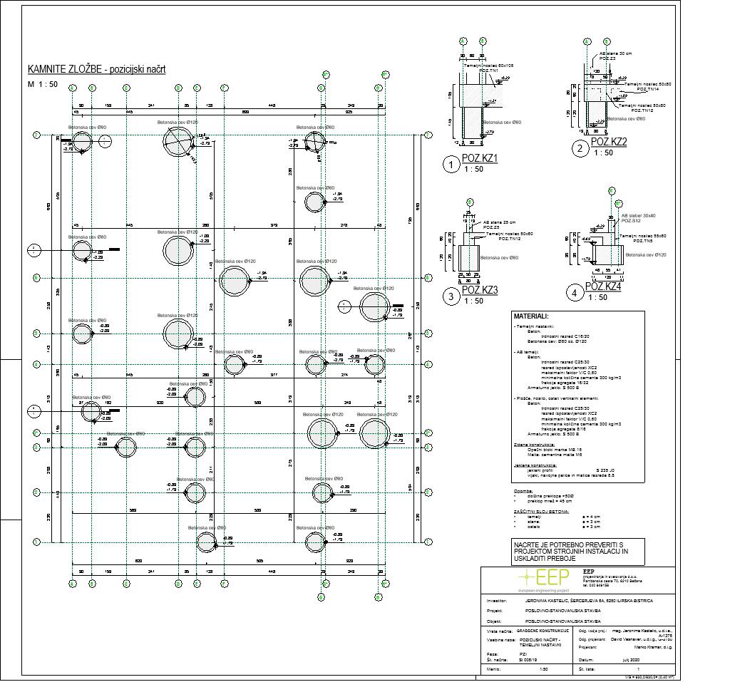
New construction of a single-family home in Kampel

Commercial and residential buildings

Location: Koper, Slovenia

Designing period : 2019

Investor: Private

Load-bearing structure: RC structure, steel structure

Service performed: Construction Plan in the Design for Building Permit (DGD), Design for Execution (PZI) project stages and project documentation of completed works (PID)

Engineering methodology used: BIM with Autodesk Revit